Telefon: 0786.195.818, 0723.164.168
Inapoi
Denumire
Cod articol
08.A537.11
Producator:
BREMBO
Unitate de impachetare:
1
Partea de montare
puntea spate
Varianta echipare
solid
Tip disc frâna
plin
pentru numar articol
08.A537.11
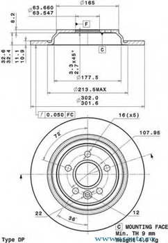
Grosime disc frâna [mm]
11
Diametru [mm]
302
Înaltime [mm]
40,7
Numar gauri
5
Diametru de centrare [mm]
63,6
Grosime minima [mm]
9
Pret: Neactualizat
Pret neactualizat. Folositi formularul de mai jos pentru o oferta.
Preturile de pe site sunt valabile doar la comanda online.
Reperele comandate se pot livra numai in limita stocurilor disponibile ale furnizorilor.
Daca produsul nu este livrabil, vi se va oferta un alt produs echivalent cu cel solicitat.
Solicita pret
