Telefon: 0786.195.818, 0723.164.168
Inapoi
Denumire
Cod articol
09.6942.10
Producator:
BREMBO
Unitate de impachetare:
1
Partea de montare
punte fata
Tip disc frâna
ventilat interior
pentru numar articol
09.6942.10
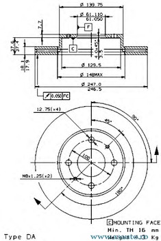
Moment strangere [Nm]
11
Grosime minima [mm]
16
Grosime disc frâna [mm]
18
Diametru [mm]
247
Numar gauri
4
Înaltime [mm]
45,2
Diametru de centrare [mm]
61
Pret: Neactualizat
Pret neactualizat. Folositi formularul de mai jos pentru o oferta.
Preturile de pe site sunt valabile doar la comanda online.
Reperele comandate se pot livra numai in limita stocurilor disponibile ale furnizorilor.
Daca produsul nu este livrabil, vi se va oferta un alt produs echivalent cu cel solicitat.
Solicita pret
