Telefon: 0786.195.818, 0723.164.168
Inapoi
Denumire
Cod articol
25128 V
Producator:
METZGER
Unitate de impachetare:
1
Partea de montare
puntea spate
pt. numar PR
1KW
Articol extins/Info extins 2
cu set suruburi de siguranta
Grosime minima [mm]
20
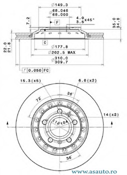
Grosime disc frâna [mm]
22
Diametru [mm]
310
Înaltime [mm]
42,2
Numar gauri
5
Varianta echipare
mit Korrosionsschutz
Pret: Neactualizat
Pret neactualizat. Folositi formularul de mai jos pentru o oferta.
Preturile de pe site sunt valabile doar la comanda online.
Reperele comandate se pot livra numai in limita stocurilor disponibile ale furnizorilor.
Daca produsul nu este livrabil, vi se va oferta un alt produs echivalent cu cel solicitat.
Solicita pret
