Telefon: 0786.195.818, 0723.164.168
Inapoi
Denumire
Cod articol
08.9719.10
Producator:
BREMBO
Unitate de impachetare:
1
Partea de montare
puntea spate
Sistem frânare
Trw-Lucas
Tip disc frâna
plin
pentru numar articol
08.9719.10
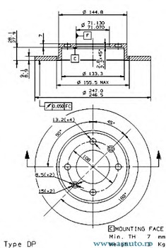
Diametru [mm]
247
Înaltime [mm]
35
Numar gauri
4
Grosime minima [mm]
7
Diametru de centrare [mm]
71
Grosime disc frâna [mm]
9
Pret: Neactualizat
Pret neactualizat. Folositi formularul de mai jos pentru o oferta.
Preturile de pe site sunt valabile doar la comanda online.
Reperele comandate se pot livra numai in limita stocurilor disponibile ale furnizorilor.
Daca produsul nu este livrabil, vi se va oferta un alt produs echivalent cu cel solicitat.
Solicita pret
