Quantcast

Magazin piese auto online, accesorii auto, piese auto noi, piese audi, piese ford, piese opel, piese hyundai, piese kia, piese bmw, piese vw, piese dacia logan, piese renault

amortizor, ambreiaj, volanta, filtre, bucse cadru motor renault, bucsi cadru motor renault, antigel, ulei motor, placute frana, amortizor

Login

Detalii despre masina aleasa

Model:
MERCE SPRINTER 4-t platou / sasiu (904) 413 CDI
Motorizare:
motor diesel
KW:
95
CP:
129
Capacitate:
2148
Nr. cilindri:
4
Combustibil:
motor diesel
Tractiune:
tractiune pe spate
Caroserie:
platou / sasiu
Catalizator:
Injectie:
Injectie directa
Tip de franare:

Cauta dupa cod

Cauta masina dupa criterii

*marca, model, an, combustibil, cod motor, caroserie etc.
INDIFERENT DE ORDINE

Sfaturi practice

Newsletter

Telefon0786.195.8180723.164.168


Inapoi
Denumire
Cod articol
24722 E
Producator:
METZGER
Unitate de impachetare:
1
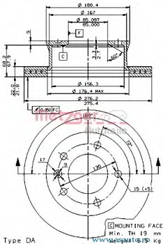
Partea de montare
punte fata
Tip disc frâna
Aerisire - ventilat interior cu aripa in forma de picatura
Moment strangere [Nm]
17
Grosime minima [mm]
19
Grosime disc frâna [mm]
22
Diametru [mm]
276
Numar gauri
5
Înaltime [mm]
77
Diametru de centrare [mm]
9
Versiune
Zentrierloch konisch
Pret: Neactualizat
Pret neactualizat. Folositi formularul de mai jos pentru o oferta.

Preturile de pe site sunt valabile doar la comanda online.

Reperele comandate se pot livra numai in limita stocurilor disponibile ale furnizorilor.

Daca produsul nu este livrabil, vi se va oferta un alt produs echivalent cu cel solicitat.

Solicita pret
Nume:*
Prenume:*
Email:*
Telefon:*
Precizari:
Sunt de acord cu termenii si conditiile site-ului www.asauto.ro
Sunt de acord conform cerintelor Legii nr. 677/2001, cu Prelucrarea datelor cu caracter personal

PROTECTIA CONSUMATORILOR . A.N.P.C.    |    Politica de confidentialitate
LiveZilla Live Help
Acest site foloseste cookie-uri. Continuand navigarea, sunteti de acord cu utilizarea cookie-urilor. Puteti vedea aici Politica Cookie si cum le puteti dezactiva. Sunt de acord