Telefon: 0786.195.818, 0723.164.168
Inapoi
Denumire
Cod articol
09.5843.34
Producator:
BREMBO
Unitate de impachetare:
1
Partea de montare
punte fata
Varianta echipare
vented
Tip disc frâna
ventilat interior
pentru numar articol
09.5843.34
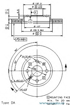
Grosime minima [mm]
20
Grosime disc frâna [mm]
22
Diametru [mm]
257
Numar gauri
4
Înaltime [mm]
40,5
Diametru de centrare [mm]
60
