Telefon: 0786.195.818, 0723.164.168
Inapoi
Denumire
Cod articol
861037
Producator:
PRESTOLITE ELECTRIC
Unitate de impachetare:
1
Specificatie
EV type
Voltaj [V]
24
Putere electromotor [kW]
4
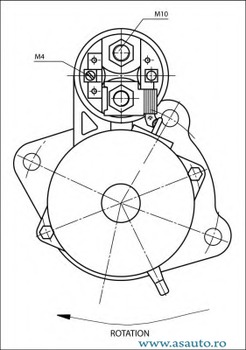
Directia de rotatie
rotatie contrar acelor de ceasornic
Tipuri conectoare
ER
Numar dinti
10
Unghi de înclinare
30
Masa [g]
9000
Pret: Neactualizat
Pret neactualizat. Folositi formularul de mai jos pentru o oferta.
Preturile de pe site sunt valabile doar la comanda online.
Reperele comandate se pot livra numai in limita stocurilor disponibile ale furnizorilor.
Daca produsul nu este livrabil, vi se va oferta un alt produs echivalent cu cel solicitat.
Solicita pret
