Telefon: 0786.195.818, 0723.164.168
Inapoi
Denumire
Cod articol
BS 8696
Producator:
BRECO
Unitate de impachetare:
1
Partea de montare
punte fata
pentru numar articol
09.9825.20
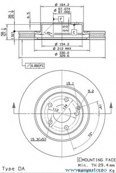
Tip disc frâna
ventilat interior
Diametru [mm]
330
Grosime disc frâna [mm]
32
Grosime minima [mm]
29,4
Înaltime [mm]
64,5
Procesare
continut ridicat de carbon
Diametru de centrare [mm]
67
Numar gauri
5
Articol extins/Info extins 2
cu suruburi
Pret: Neactualizat
Pret neactualizat. Folositi formularul de mai jos pentru o oferta.
Preturile de pe site sunt valabile doar la comanda online.
Reperele comandate se pot livra numai in limita stocurilor disponibile ale furnizorilor.
Daca produsul nu este livrabil, vi se va oferta un alt produs echivalent cu cel solicitat.
Solicita pret
