Telefon: 0786.195.818, 0723.164.168
Inapoi
Denumire
Cod articol
BS 8549
Producator:
BRECO
Unitate de impachetare:
1
De la numarul de sasiu
4E-5-003251
Partea de montare
punte fata
pt. numar PR
1LG
pentru numar articol
09.9534.14
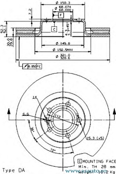
Tip disc frâna
ventilat interior
Diametru [mm]
321
Grosime disc frâna [mm]
30
Grosime minima [mm]
28
Înaltime [mm]
59,4
Procesare
continut ridicat de carbon
Diametru de centrare [mm]
68
Numar gauri
5
Articol extins/Info extins 2
cu suruburi
Pret: Neactualizat
Pret neactualizat. Folositi formularul de mai jos pentru o oferta.
Preturile de pe site sunt valabile doar la comanda online.
Reperele comandate se pot livra numai in limita stocurilor disponibile ale furnizorilor.
Daca produsul nu este livrabil, vi se va oferta un alt produs echivalent cu cel solicitat.
Solicita pret
