Telefon: 0786.195.818, 0723.164.168
Inapoi
Denumire
Cod articol
BS 8515
Producator:
BRECO
Unitate de impachetare:
1
incepand cu an fabricatie
12/2002
Partea de montare
punte fata
pentru numar articol
09.9537.20
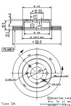
Tip disc frâna
ventilat interior
Diametru [mm]
241
Grosime disc frâna [mm]
19
Grosime minima [mm]
17
Înaltime [mm]
52,4
Procesare
continut ridicat de carbon
Diametru de centrare [mm]
62,4
Numar gauri
4
Pret: Neactualizat
Pret neactualizat. Folositi formularul de mai jos pentru o oferta.
Preturile de pe site sunt valabile doar la comanda online.
Reperele comandate se pot livra numai in limita stocurilor disponibile ale furnizorilor.
Daca produsul nu este livrabil, vi se va oferta un alt produs echivalent cu cel solicitat.
Solicita pret
