Telefon: 0786.195.818, 0723.164.168
Inapoi
Denumire
Cod articol
24980 E
Producator:
AP
Unitate de impachetare:
1
Partea de montare
punte fata
pentru numar articol
09.5843.34
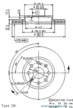
Tip disc frâna
ventilat interior
Diametru [mm]
257
Grosime disc frâna [mm]
22
Grosime minima [mm]
20
Înaltime [mm]
40,5
Diametru de centrare [mm]
60
Numar gauri
4
Articol extins/Info extins 2
cu suruburi
Pret: Neactualizat
Pret neactualizat. Folositi formularul de mai jos pentru o oferta.
Preturile de pe site sunt valabile doar la comanda online.
Reperele comandate se pot livra numai in limita stocurilor disponibile ale furnizorilor.
Daca produsul nu este livrabil, vi se va oferta un alt produs echivalent cu cel solicitat.
Solicita pret
