Telefon: 0786.195.818, 0723.164.168
Inapoi
Denumire
Cod articol
24875 E
Producator:
AP
Unitate de impachetare:
1
Pâna în an fabricatie
10/2003
Partea de montare
punte fata
Încarcatura utila [kg]
815
Sistem frânare
Bendix
pentru numar articol
09.9631.34
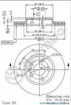
Tip disc frâna
ventilat interior
Diametru [mm]
257
Grosime disc frâna [mm]
20
Grosime minima [mm]
18,2
Înaltime [mm]
40,5
Diametru de centrare [mm]
59
Numar gauri
5
Moment strangere [Nm]
10
Pret: Neactualizat
Pret neactualizat. Folositi formularul de mai jos pentru o oferta.
Preturile de pe site sunt valabile doar la comanda online.
Reperele comandate se pot livra numai in limita stocurilor disponibile ale furnizorilor.
Daca produsul nu este livrabil, vi se va oferta un alt produs echivalent cu cel solicitat.
Solicita pret
