Telefon: 0786.195.818, 0723.164.168
Inapoi
Denumire
Cod articol
14858
Producator:
AP
Unitate de impachetare:
1
Pâna la numar sasiu
587425
Partea de montare
puntea spate
pentru numar articol
08.9462.10
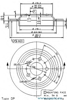
Tip disc frâna
plin
Diametru [mm]
283
Grosime disc frâna [mm]
10
Grosime minima [mm]
8
Înaltime [mm]
62
Diametru de centrare [mm]
68
Numar gauri
5
Articol extins/Info extins 2
cu suruburi
Pret: Neactualizat
Pret neactualizat. Folositi formularul de mai jos pentru o oferta.
Preturile de pe site sunt valabile doar la comanda online.
Reperele comandate se pot livra numai in limita stocurilor disponibile ale furnizorilor.
Daca produsul nu este livrabil, vi se va oferta un alt produs echivalent cu cel solicitat.
Solicita pret
