Telefon: 0786.195.818, 0723.164.168
Inapoi
Denumire
Cod articol
14846
Producator:
AP
Unitate de impachetare:
1
incepand cu an fabricatie
09/1999
Partea de montare
puntea spate
Dinamica frânare/conducere
pentru vehicule cu ABS
pentru numar articol
08.9461.10
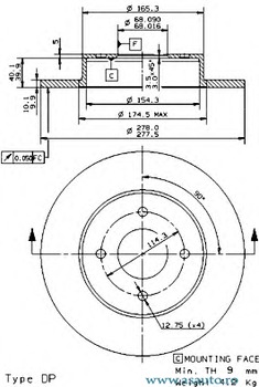
Tip disc frâna
plin
Diametru [mm]
278
Grosime disc frâna [mm]
10
Grosime minima [mm]
9
Înaltime [mm]
45
Diametru de centrare [mm]
68
Numar gauri
4
Moment strangere [Nm]
10
Pret: Neactualizat
Pret neactualizat. Folositi formularul de mai jos pentru o oferta.
Preturile de pe site sunt valabile doar la comanda online.
Reperele comandate se pot livra numai in limita stocurilor disponibile ale furnizorilor.
Daca produsul nu este livrabil, vi se va oferta un alt produs echivalent cu cel solicitat.
Solicita pret
