Telefon: 0786.195.818, 0723.164.168
Inapoi
Denumire
Cod articol
BDC4604
Producator:
QH Benelux
Unitate de impachetare:
1
incepand cu an fabricatie
06/1996
Partea de montare
puntea spate
Sistem frânare
Akebono
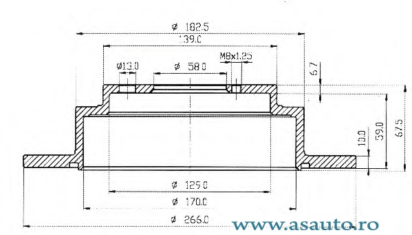
Tip disc frâna
plin
Diametru [mm]
266
Grosime disc frâna [mm]
10
Grosime minima [mm]
8,5
Numar gauri
5
Diametru asezare gauri -? [mm]
100
Înaltime [mm]
67,3
Alezaj butuc -? [mm]
58
Pret: Neactualizat
Pret neactualizat. Folositi formularul de mai jos pentru o oferta.
Preturile de pe site sunt valabile doar la comanda online.
Reperele comandate se pot livra numai in limita stocurilor disponibile ale furnizorilor.
Daca produsul nu este livrabil, vi se va oferta un alt produs echivalent cu cel solicitat.
Solicita pret
