Telefon: 0786.195.818, 0723.164.168
Inapoi
Denumire
Cod articol
BDC4439
Producator:
QH Benelux
Unitate de impachetare:
1
Partea de montare
punte fata
Sistem frânare
Ate
Tip disc frâna
ventilat interior
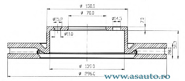
Diametru [mm]
296
Grosime disc frâna [mm]
28
Grosime minima [mm]
25
Numar gauri
5
Diametru asezare gauri -? [mm]
110
Înaltime [mm]
58,3
Alezaj butuc -? [mm]
70
Pret: Neactualizat
Pret neactualizat. Folositi formularul de mai jos pentru o oferta.
Preturile de pe site sunt valabile doar la comanda online.
Reperele comandate se pot livra numai in limita stocurilor disponibile ale furnizorilor.
Daca produsul nu este livrabil, vi se va oferta un alt produs echivalent cu cel solicitat.
Solicita pret
