Telefon: 0786.195.818, 0723.164.168
Inapoi
Denumire
Cod articol
BDC3591
Producator:
QH Benelux
Unitate de impachetare:
1
Partea de montare
punte fata
Sistem frânare
Akebono
Tip disc frâna
ventilat interior
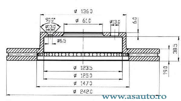
Diametru [mm]
242
Grosime disc frâna [mm]
19
Grosime minima [mm]
17
Numar gauri
4
Diametru asezare gauri -? [mm]
100
Înaltime [mm]
44,5
Alezaj butuc -? [mm]
61
Pret: Neactualizat
Pret neactualizat. Folositi formularul de mai jos pentru o oferta.
Preturile de pe site sunt valabile doar la comanda online.
Reperele comandate se pot livra numai in limita stocurilor disponibile ale furnizorilor.
Daca produsul nu este livrabil, vi se va oferta un alt produs echivalent cu cel solicitat.
Solicita pret
