Telefon: 0786.195.818, 0723.164.168
Inapoi
Denumire
Cod articol
78BD4108
Producator:
ICER
Unitate de impachetare:
1
Partea de montare
puntea spate
Tip frîna
frana disc
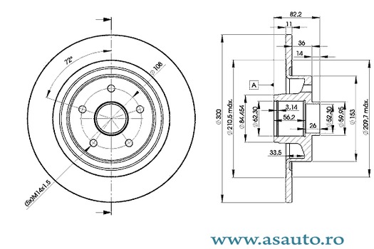
Înaltime [mm]
82,2
Grosime [mm]
11
Greutate (în kg)
7.560
Varianta osie
Rear
Numar informatii tehnice
78BD4108
Diametru asezare gauri -? [mm]
108
Diametru butuc roata [mm]
52
Diametru [mm]
300
Asezare gauri/numar gauri
5
Grosime minima [mm]
9,5
umplut
Pret: Neactualizat
Pret neactualizat. Folositi formularul de mai jos pentru o oferta.
Preturile de pe site sunt valabile doar la comanda online.
Reperele comandate se pot livra numai in limita stocurilor disponibile ale furnizorilor.
Daca produsul nu este livrabil, vi se va oferta un alt produs echivalent cu cel solicitat.
Solicita pret
