Telefon: 0786.195.818, 0723.164.168
Inapoi
Denumire
Cod articol
25147 V
Producator:
METZGER
Unitate de impachetare:
1
Partea de montare
punte fata
pt. numar PR
1LK
pt. numar PR
1LM
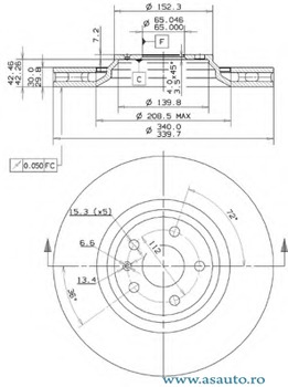
Tip disc frâna
ventilat interior
Grosime disc frâna [mm]
30
Grosime minima [mm]
28
Diametru [mm]
340
Diametru asezare gauri -? [mm]
112
Articol extins/Info extins 2
cu set suruburi de siguranta
Tip disc frâna
Aerisire - ventilat interior cu aripa in forma de picatura
Varianta echipare
mit Korrosionsschutz
Pret: Neactualizat
Pret neactualizat. Folositi formularul de mai jos pentru o oferta.
Preturile de pe site sunt valabile doar la comanda online.
Reperele comandate se pot livra numai in limita stocurilor disponibile ale furnizorilor.
Daca produsul nu este livrabil, vi se va oferta un alt produs echivalent cu cel solicitat.
Solicita pret
