Telefon: 0786.195.818, 0723.164.168
Inapoi
Denumire
Cod articol
80690109
Producator:
HERTH+BUSS ELPARTS
Unitate de impachetare:
1
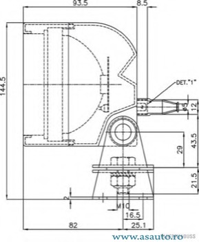
Latime [mm]
111,5
Înaltime [mm]
101
Adâncime (mm)
93,5
TIp lampa
H3
Tensiune [V]
12
Tensiune [V]
24
Voltaj [V]
12
Voltaj [V]
24
Specificatii de asamblare
Conectare lama
Tip centura de siguranta
brat mobil monoarticulat
Tip protectie (cod IP)
54
Pret: Neactualizat
Pret neactualizat. Folositi formularul de mai jos pentru o oferta.
Preturile de pe site sunt valabile doar la comanda online.
Reperele comandate se pot livra numai in limita stocurilor disponibile ale furnizorilor.
Daca produsul nu este livrabil, vi se va oferta un alt produs echivalent cu cel solicitat.
Solicita pret
