Telefon: 0786.195.818, 0723.164.168
Inapoi
Denumire
Cod articol
09.9537.20
Producator:
BREMBO
Unitate de impachetare:
1
incepand cu an fabricatie
12/2002
Partea de montare
punte fata
pentru numar articol
09.9537.20
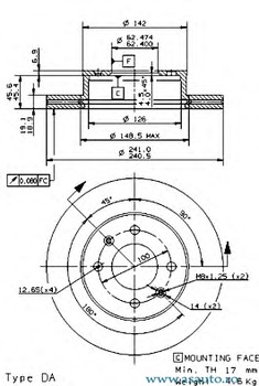
Tip disc frâna
ventilat interior
Diametru [mm]
241
Grosime disc frâna [mm]
19
Grosime minima [mm]
17
Înaltime [mm]
52,4
Procesare
continut ridicat de carbon
Diametru de centrare [mm]
62,4
Numar gauri
4
