Telefon: 0786.195.818, 0723.164.168
Inapoi
Denumire
Cod articol
09.9481.11
Producator:
BREMBO
Unitate de impachetare:
1
Pâna la numar sasiu
A400547
Partea de montare
punte fata
pentru numar articol
09.9481.11
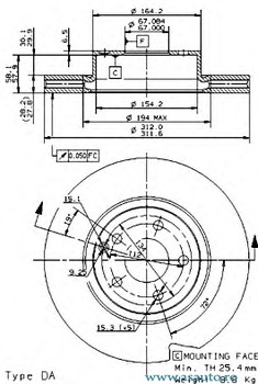
Tip disc frâna
ventilat interior
Diametru [mm]
312
Grosime disc frâna [mm]
28
Grosime minima [mm]
25,4
Înaltime [mm]
64,5
Procesare
continut ridicat de carbon
Diametru de centrare [mm]
67
Numar gauri
5
Suprafata
acoperit (cu un strat protector)
Articol extins/Info extins 2
cu suruburi
