Telefon: 0786.195.818, 0723.164.168
Inapoi
Denumire
Cod articol
09.9425.11
Producator:
BREMBO
Unitate de impachetare:
1
Partea de montare
puntea spate
pentru numar articol
09.9425.11
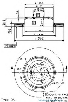
Tip disc frâna
ventilat interior
Diametru [mm]
320
Grosime disc frâna [mm]
20
Grosime minima [mm]
18,4
Înaltime [mm]
61
Procesare
continut ridicat de carbon
Diametru de centrare [mm]
75
Numar gauri
5
Suprafata
acoperit (cu un strat protector)
Articol extins/Info extins 2
cu suruburi
