Telefon: 0786.195.818, 0723.164.168
Inapoi
Denumire
Cod articol
09.7359.21
Producator:
BREMBO
Unitate de impachetare:
1
Partea de montare
punte fata
Ampatament
ampatament lung
pentru numar articol
09.7359.21
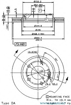
Tip disc frâna
ventilat interior
Diametru [mm]
260
Grosime disc frâna [mm]
22
Grosime minima [mm]
19,4
Înaltime [mm]
40,5
Procesare
continut ridicat de carbon
Diametru de centrare [mm]
67
Numar gauri
5
Moment strangere [Nm]
11
Suprafata
acoperit (cu un strat protector)
Articol extins/Info extins 2
cu suruburi
