Telefon: 0786.195.818, 0723.164.168
Inapoi
Denumire
Cod articol
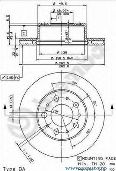
09.5082.10
Producator:
BREMBO
Unitate de impachetare:
1
incepand cu an fabricatie
01/1988
Marime janta [inch]
14
Partea de montare
punte fata
Sistem frânare
Girling
pentru numar articol
09.5082.10
Tip disc frâna
ventilat interior
Diametru [mm]
262
Grosime disc frâna [mm]
22
Grosime minima [mm]
20
Înaltime [mm]
56
Diametru de centrare [mm]
68
Numar gauri
5
Moment strangere [Nm]
8,5
Articol extins/Info extins 2
cu suruburi
Pret: Neactualizat
Pret neactualizat. Folositi formularul de mai jos pentru o oferta.
Preturile de pe site sunt valabile doar la comanda online.
Reperele comandate se pot livra numai in limita stocurilor disponibile ale furnizorilor.
Daca produsul nu este livrabil, vi se va oferta un alt produs echivalent cu cel solicitat.
Solicita pret
