Telefon: 0786.195.818, 0723.164.168
Inapoi
Denumire
Cod articol
08.7019.80
Producator:
BREMBO
Unitate de impachetare:
1
Partea de montare
puntea spate
pentru numar articol
08.7019.80
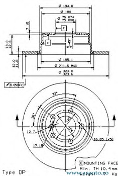
Tip disc frâna
plin
Diametru [mm]
324
Grosime disc frâna [mm]
12
Grosime minima [mm]
10,4
Înaltime [mm]
80,2
Procesare
continut ridicat de carbon
Diametru de centrare [mm]
75
Numar gauri
5
Articol extins/Info extins 2
cu suruburi
