Telefon: 0786.195.818, 0723.164.168
Inapoi
Denumire
Cod articol
J2820301
Producator:
HERTH+BUSS JAKOPARTS
Unitate de impachetare:
1
Partea de montare
Axa fata dreapta
Partea de montare
Axa fata stanga
Partea de montare
spre roata
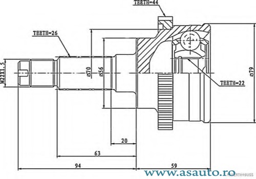
Diametru flansa [mm]
56
diametru inel ABS [mm]
75,05
Dinti exteriori, spre roata
26
Dinti interior, spre roata
22
Numar dinti , inel ABS
44
Prelucrat mecanic
cu insertie in piesa interna (central)
Pret: Neactualizat
Pret neactualizat. Folositi formularul de mai jos pentru o oferta.
Preturile de pe site sunt valabile doar la comanda online.
Reperele comandate se pot livra numai in limita stocurilor disponibile ale furnizorilor.
Daca produsul nu este livrabil, vi se va oferta un alt produs echivalent cu cel solicitat.
Solicita pret
