Telefon: 0786.195.818, 0723.164.168
Inapoi
Denumire
Cod articol
61178
Producator:
PAGID
Unitate de impachetare:
0
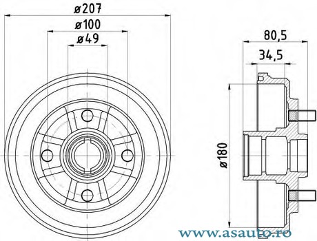
Partea de montare
puntea spate
Diamentru tambur
180,0
Inaltime interioara tambur frana
34,5
Diametru exterior tambur frana [mm]
207
Inaltime tot. tambur frana
80,5
Asezare gauri/numar gauri
04/04
Diametru asezare gauri -? [mm]
100
Diametru interior maxim tambur frana [mm]
181
Greutate (în kg)
3,6
Articol extins/Info extins 2
cu butuc roata
Articol extins/Info extins 2
fara rulment roata
Articol extins/Info extins 2
cu suruburi de prindere roata
Pret: Neactualizat
Pret neactualizat. Folositi formularul de mai jos pentru o oferta.
Preturile de pe site sunt valabile doar la comanda online.
Reperele comandate se pot livra numai in limita stocurilor disponibile ale furnizorilor.
Daca produsul nu este livrabil, vi se va oferta un alt produs echivalent cu cel solicitat.
Solicita pret
